欢迎来到余姚市顺通液压管阀件厂!

余姚市顺通液压管阀件厂
VIP会员7

一般经营项目:液压管阀件、五金件、塑料配件的加工。

全国服务咨询热线:
0574-62973587
点击图片查看原图

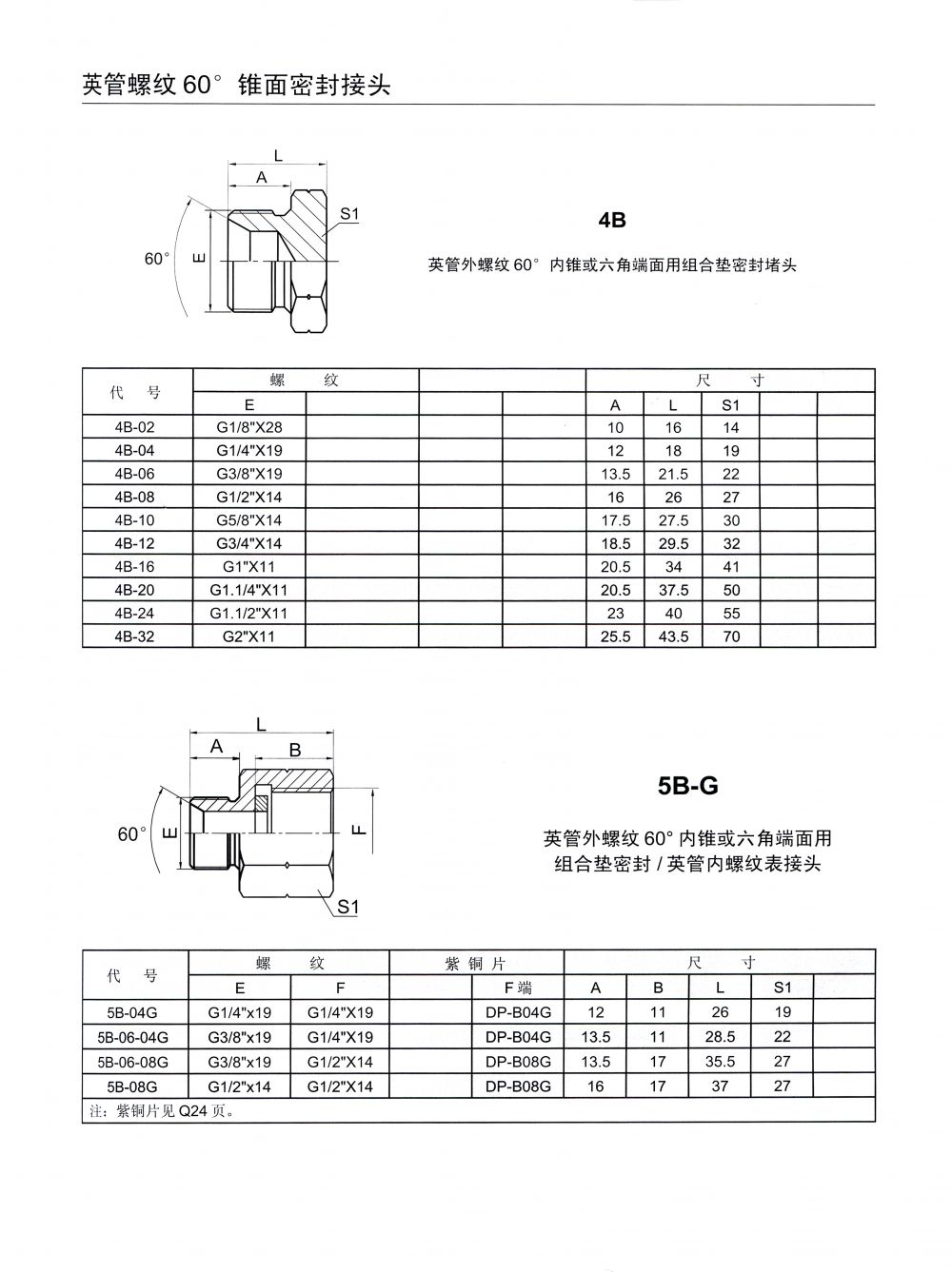
英管螺纹 60°锥面密封接头

产品价格 面议

最小起订量:0 可售数量:0

用手机扫描二维码直达商品手机版
手机查看详情
发货时限:
3 天内发货
所在地区:
浙江 宁波市
有效期至:
长期有效
最后更新:
2019-08-26 17:42
浏览次数:
83

企业信息

所在地区:浙江/宁波市

会员级别:VIP会员7

身份认证:     

已  缴 纳:0.00 元保证金

我的勋章:  通过紫宇广告认证 [诚信档案]

在线客服:

企业名片

余姚市顺通液压管阀件厂

【温馨提示】来电请说明在高音网B2B企业服务平台 看到我们的,谢谢
产品详情

询价单
0条  相关评论

电话咨询

咨询电话:
0574-62973587

在线客服

售后服务

售后服务:
18058229996

回到顶部